Adresse
Strucker Str. 47
42859 Remscheid / Germany
Öffnungszeiten
Montag bis Donnerstag: 08:00 - 16:00 Uhr
Freitag: 08:00 - 12:00 Uhr

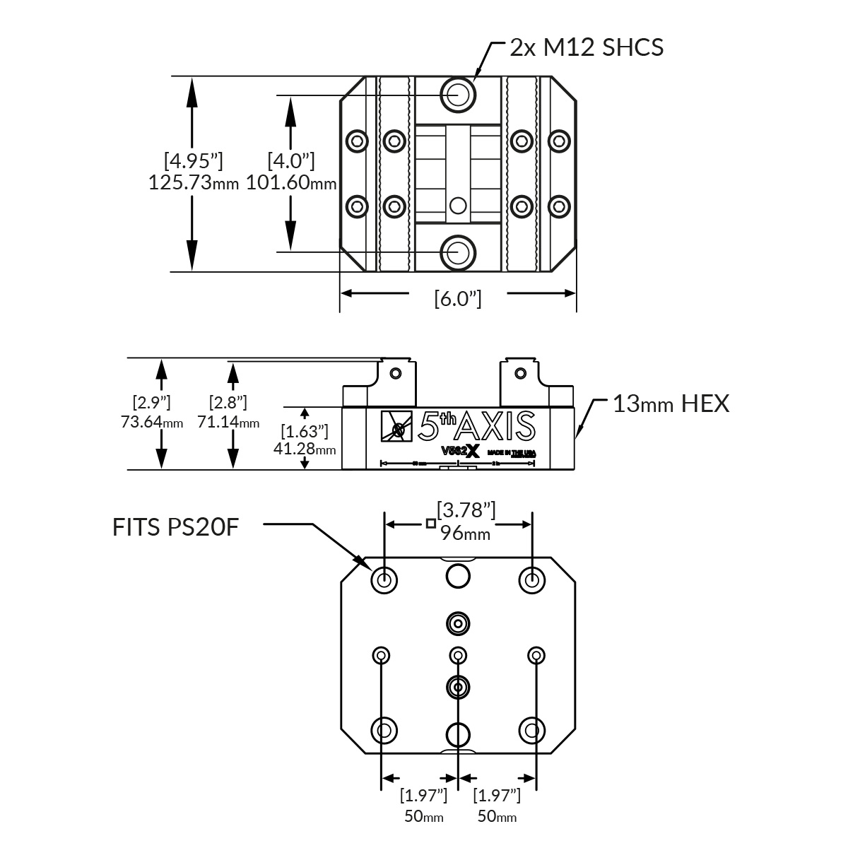
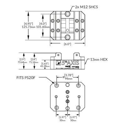
Der Zentrischspanner V562X ist ein hochwertiger Selbstzentrier-Schraubstock für präzise Werkstückspannung in CNC-Bearbeitungszentren. Dank seiner robusten Bauweise und innovativen Selbstzentriertechnologie ermöglicht er eine schnelle, wiederholgenaue Fixierung unterschiedlichster Werkstücke mit hohem Kraftschluss. Der Spanner ist kompatibel mit dem RockLock™-96 mm-Nullpunktspannsystem und eignet sich ideal für anspruchsvolle Fertigungsumgebungen.
Mit Greiferbacken im 45°-Schwalbenschwanzprofil, hoher Wiederholgenauigkeit und vielseitigen Spannmöglichkeiten ist der V562X eine professionelle Lösung zur Werkstückspannung in der Zerspanung.
| Gewicht | 7,2 kg |
|---|---|
| Größe: | 126mm x 152mm x 74mm |
| Backen Breite: | 126mm |
| Spannbereich (Backen vorwärts): | 0 – 80mm |
| Spannbereich (Backen umgedreht): | 60mm – 128mm |
| Spannkraft: | 25 kN bei 75 Nm |
| Maximales Drehmoment: | 75 Nm |
| Rastermaß des Nullpunktspannsystems: | 96mm |
| Durchmesser der Aufnahmebolzen: | 20mm (PS20F) |