Adresse
Strucker Str. 47
42859 Remscheid / Germany
Öffnungszeiten
Montag bis Donnerstag: 08:00 - 16:00 Uhr
Freitag: 08:00 - 12:00 Uhr

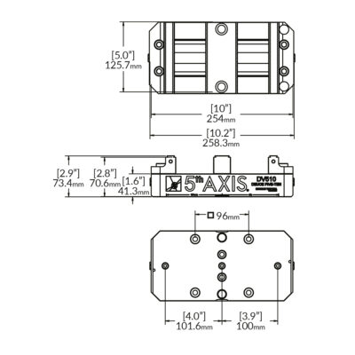
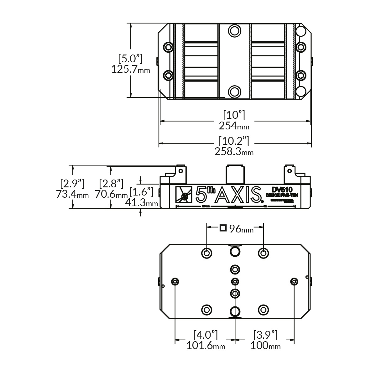
Der Doppelspannstock DV510-J1 ist ein leistungsstarker Doppelstation-Spannstock für CNC-Bearbeitungszentren. Er ermöglicht das gleichzeitige Spannen von zwei Werkstücken und steigert so Effizienz und Durchsatz in der Fertigung. Durch das frei bewegliche Backensystem können unterschiedliche Werkstückgrößen ausgeglichen werden, während eine Umrüstung auf eine Einzelspannstation mit großem Spannbereich zusätzliche Flexibilität bietet. Die robust ausgeführten gehärteten Backen mit 45°-Schwalbenschwanz- und Greifzahnprofil gewährleisten sicheren Halt selbst bei anspruchsvollen Bearbeitungsprozessen. Mit einer hohen Spannkraft und präziser Zentrierung liefert dieser Spannstock wiederholbare Ergebnisse für eine Vielzahl von Werkstücken.
| Gewicht | 11,4 kg |
|---|---|
| Größe: | 125,7 mm x 258,3 mm x 73,4 mm |
| Backen Breite: | 125,7 mm |
| Spannbereich (Backen vorwärts): | 0 – 66.7mm |
| Spannbereich (Backen umgedreht): | 30,9mm – 102,3mm |
| Spannbereich (feste Backen, vorwärts): | 0 – 177,5 mm |
| Spannbereich (feste Backe, umgedreht): | 56,8mm – 248,7mm |
| Spannkraft: | 25 kN bei 75 Nm |
| Maximales Drehmoment: | 75 Nm |
| Rastermaß des Nullpunktspannsystems: | 96mm |
| Durchmesser der Aufnahmebolzen: | 20mm (PS20F) |